设为首页
|
关于我们
|
联系我们
此页面上的内容需要较新版本的 Adobe Flash Player。
当前位置:首页>>产品展示
·MCU
·电感
·MOS管
·连接器
·继电器
·电源管理
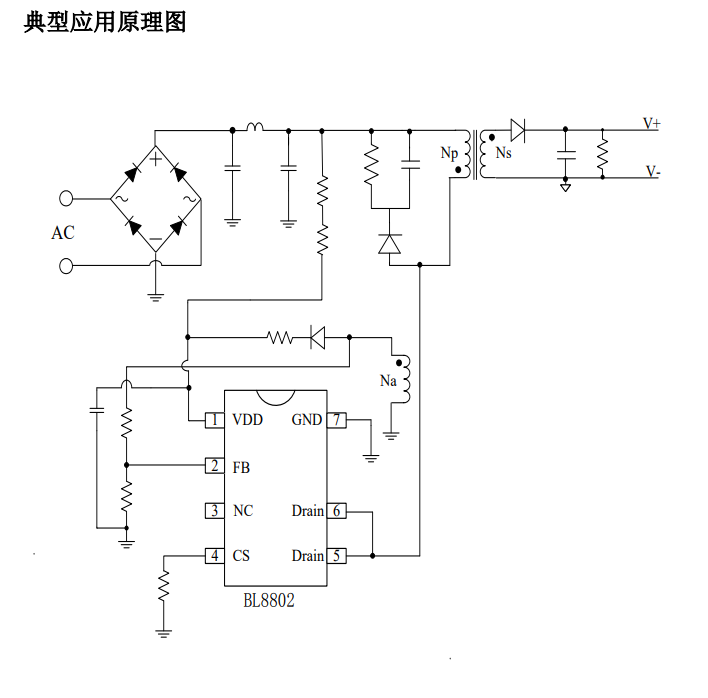
BL8802